lemon-mirror:
Home >> Acura >> 2000 >> RL V6-3474cc 3.5L >> Repair and Diagnosis >> Specifications >> Mechanical Specifications >> Cooling System >> System Specifications

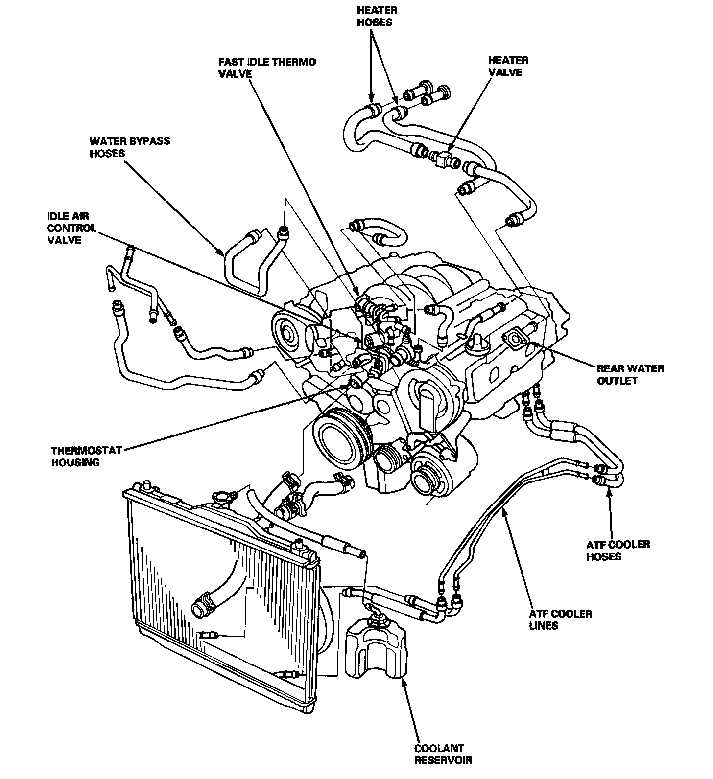
System Specifications

RADIATOR





Part 1 of 3





Part 2 of 3





Part 3 of 3





THERMOSTAT





WATER PUMP